صفحه نخست
محصولات
تجهیزات ساختمان های هوشمند
سنسورها
سنسورهای حرکت
سنسورهای حضور
سنسورهای هواشناسی
سنسورهای سنجش میزان روشنایی
سنسور گاز دی اکسیدکربن
کنترلر
کنترلر قطع و وصل / پرده برقی
کنترلر دیمر
کنترلر قطع و وصل / دیمر
کنترلر پرده برقی
کنترلر فن کویل
کنترلر تک کاناله توکار
کنترلر سیستمهای گرمایش از کف
کلیدهای هوشمند
ترموستات اتاقی
تایمر و ساعت فرمان نجومی
DALI-2
کنترلرهای DALI-2
سنسورهای DALI-2
منبع تغذیه
درگاه های ارتباطی
کنترلرهای فرکانس رادیویی
ورودی های Binary
تجهیزات برق صنعتی
FRER
تجهیزات اندازه گیری آنالوگ
رله های نشت جریان و کوربالانس ها
مالتی فانکشن مترها و آنالایزرهای شبکه
ترنسدیوسرهای اندازه گیری و آنالیز شبکه
رابط ها و درگاه ها
میترهای آنالوگ و دیجیتال
انرژی میترها
ترانسفورمرهای جریان و ولتاژ
مقره و عایق و نگهدارنده
شنت DC و جداکننده های ولتاژی DC
لوازم جانبی
theben
پریز تایمردار
تایمر آنالوگ تابلویی
کنتور کارکرد دستگاه
تایمر راه پله
تایمر دیجیتال هفتگی
ساعت فرمان نجومی
STEGO
ترموستات های تابلویی
رطوبت سنج های تابلویی
سنسور هوشمند اندازه گیری دما و رطوبت دیجیتال
فیلتر فن های تابلویی
هیتر و فن هیتر تابلویی
لوازم جانبی
رویدادها
پایگاه دانش
درباره ما
تماس با ما
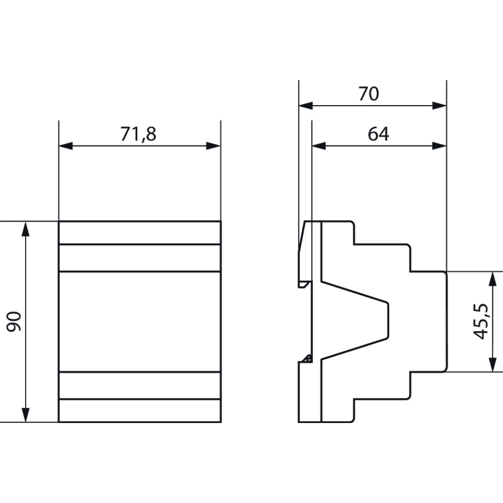
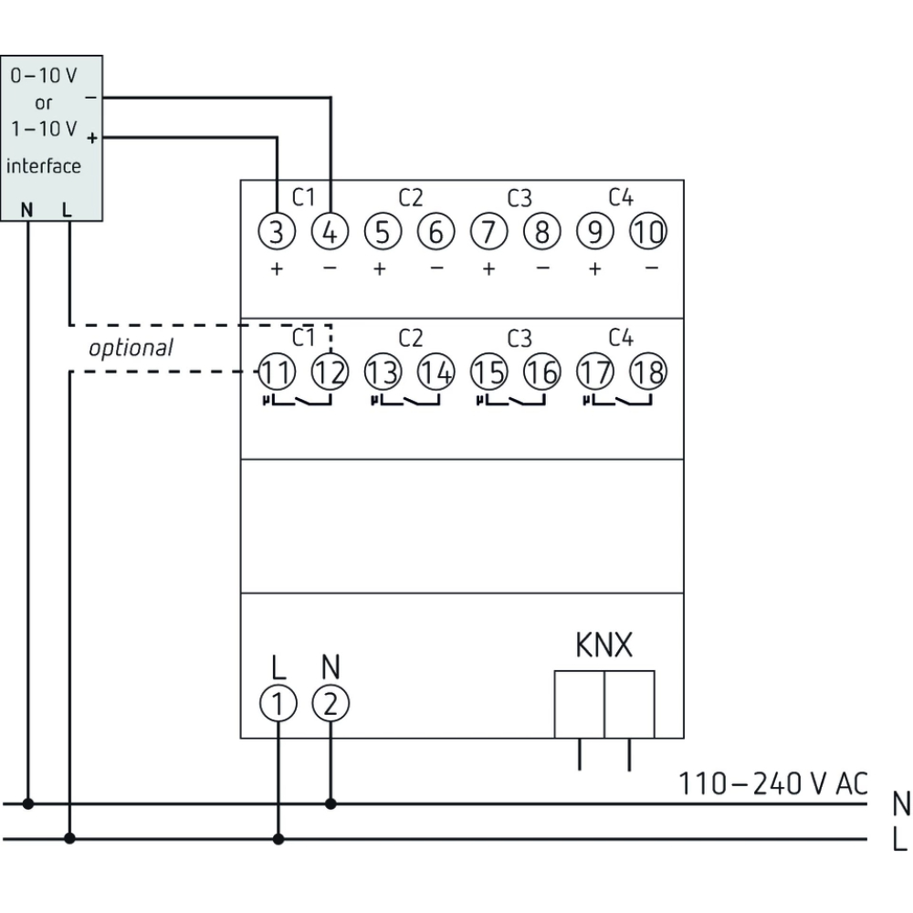
SM 4 KNX
کد کالا : 4940310
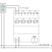
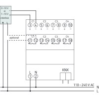
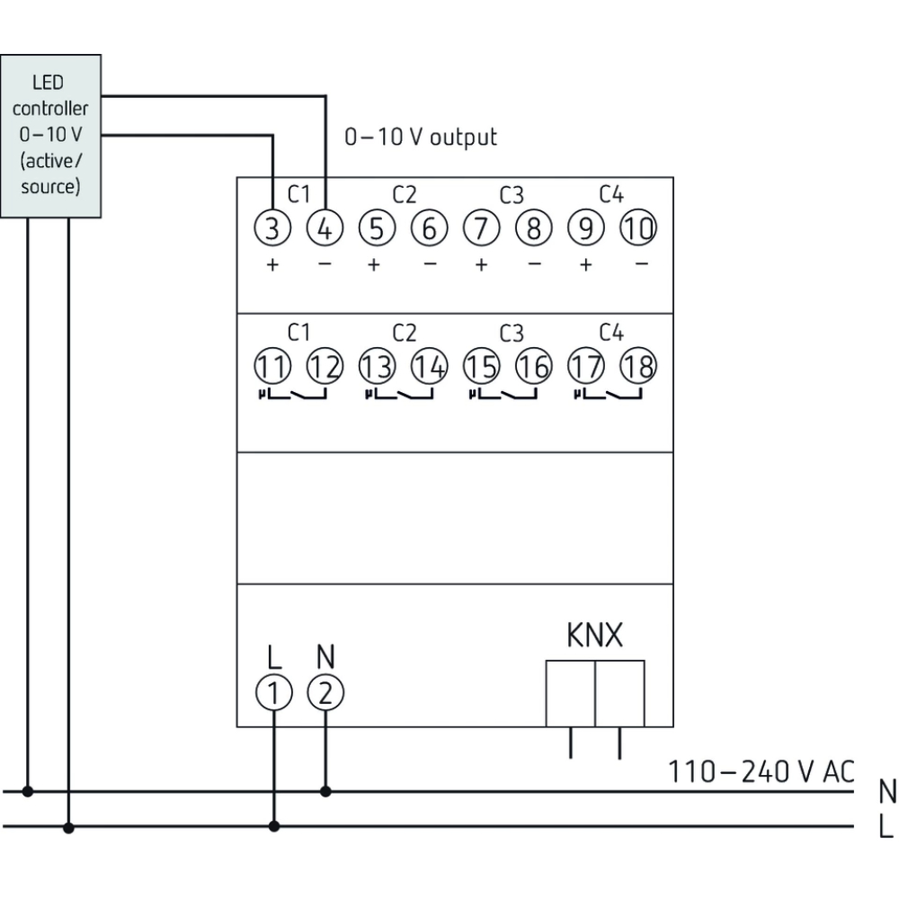
کنترلر 4 کانال قطع و وصل/دیمر 10 آمپر برای کنترل بار الکتریکی با ولتاژ 0-10V یا 1-10V
جریان/توان : 10A/600W ,Up to 800 W for Capacitive louds
برای قیمت تماس بگیرید
یک سوال درباره این محصول بپرسید
شرح
Function description
DIN-rail 4-way switching/dimming actuator 10 A 133 µF, KNX TP
For the control of electrical consumers with 0-10 V or 1-10 V interface
Flexible use of control and relay outputs
Control outputs suitable for active (0-10 V, source) and passive control (1-10 V, sink), as well as mixed operation
Support of colour and colour temperature control
Simple commissioning and programming in the ETS, without additional tools or ETS app
Secure communication via with support of „KNX Data Secure“
Inrush current max. 800 A, for the reliable switching of capacitive loads (ECG and LED drivers)
بازنگری ها
هنوز نظری برای این محصول وجود ندارد.
Back to: کنترلر قطع و وصل/دیمر
جستجو
صفحه نخست
محصولات
تجهیزات ساختمان های هوشمند
سنسورها
سنسورهای حرکت
سنسورهای حضور
سنسورهای هواشناسی
سنسورهای سنجش میزان روشنایی
سنسور گاز دی اکسیدکربن
کنترلر
کنترلر قطع و وصل / پرده برقی
کنترلر دیمر
کنترلر قطع و وصل / دیمر
کنترلر پرده برقی
کنترلر فن کویل
کنترلر تک کاناله توکار
کنترلر سیستمهای گرمایش از کف
کلیدهای هوشمند
ترموستات اتاقی
تایمر و ساعت فرمان نجومی
DALI-2
کنترلرهای DALI-2
سنسورهای DALI-2
منبع تغذیه
درگاه های ارتباطی
کنترلرهای فرکانس رادیویی
ورودی های Binary
تجهیزات برق صنعتی
FRER
تجهیزات اندازه گیری آنالوگ
رله های نشت جریان و کوربالانس ها
مالتی فانکشن مترها و آنالایزرهای شبکه
ترنسدیوسرهای اندازه گیری و آنالیز شبکه
رابط ها و درگاه ها
میترهای آنالوگ و دیجیتال
انرژی میترها
ترانسفورمرهای جریان و ولتاژ
مقره و عایق و نگهدارنده
شنت DC و جداکننده های ولتاژی DC
لوازم جانبی
theben
پریز تایمردار
تایمر آنالوگ تابلویی
کنتور کارکرد دستگاه
تایمر راه پله
تایمر دیجیتال هفتگی
ساعت فرمان نجومی
STEGO
ترموستات های تابلویی
رطوبت سنج های تابلویی
سنسور هوشمند اندازه گیری دما و رطوبت دیجیتال
فیلتر فن های تابلویی
هیتر و فن هیتر تابلویی
لوازم جانبی
رویدادها
انواع رله های الکتریکی
پایگاه دانش
درباره ما
تماس با ما