صفحه نخست
محصولات
تجهیزات ساختمان های هوشمند
سنسورها
سنسورهای حرکت
سنسورهای حضور
سنسورهای هواشناسی
سنسورهای سنجش میزان روشنایی
سنسور گاز دی اکسیدکربن
کنترلر
کنترلر قطع و وصل / پرده برقی
کنترلر دیمر
کنترلر قطع و وصل / دیمر
کنترلر پرده برقی
کنترلر فن کویل
کنترلر تک کاناله توکار
کنترلر سیستمهای گرمایش از کف
کلیدهای هوشمند
ترموستات اتاقی
تایمر و ساعت فرمان نجومی
DALI-2
کنترلرهای DALI-2
سنسورهای DALI-2
منبع تغذیه
درگاه های ارتباطی
کنترلرهای فرکانس رادیویی
ورودی های Binary
تجهیزات برق صنعتی
FRER
تجهیزات اندازه گیری آنالوگ
رله های نشت جریان و کوربالانس ها
مالتی فانکشن مترها و آنالایزرهای شبکه
ترنسدیوسرهای اندازه گیری و آنالیز شبکه
رابط ها و درگاه ها
میترهای آنالوگ و دیجیتال
انرژی میترها
ترانسفورمرهای جریان و ولتاژ
مقره و عایق و نگهدارنده
شنت DC و جداکننده های ولتاژی DC
لوازم جانبی
theben
پریز تایمردار
تایمر آنالوگ تابلویی
کنتور کارکرد دستگاه
تایمر راه پله
تایمر دیجیتال هفتگی
ساعت فرمان نجومی
STEGO
ترموستات های تابلویی
رطوبت سنج های تابلویی
سنسور هوشمند اندازه گیری دما و رطوبت دیجیتال
فیلتر فن های تابلویی
هیتر و فن هیتر تابلویی
لوازم جانبی
رویدادها
پایگاه دانش
درباره ما
تماس با ما
EU 1 S RF KNX
کد کالا : 4941642
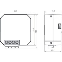
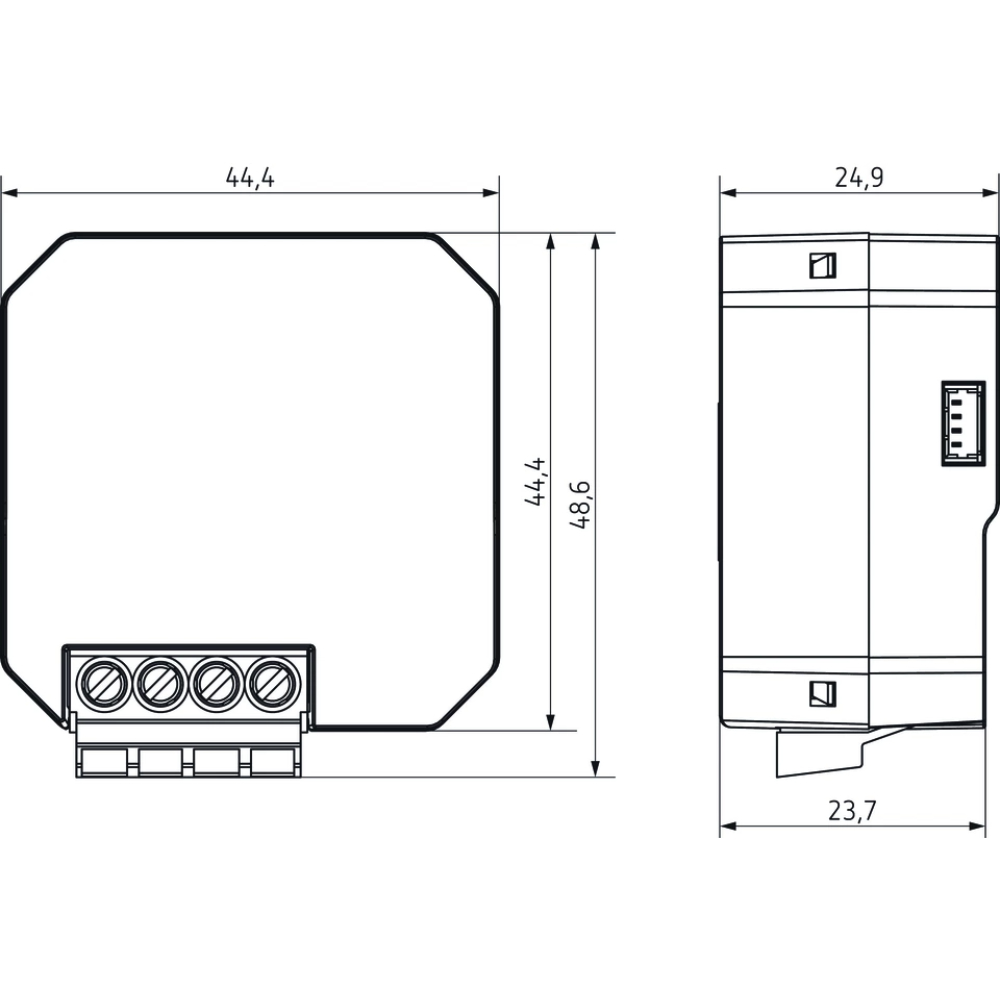
کنترلر بیسیم تک کاناال گرمایش الکتریکی - مدل توکار همسطح
برای قیمت تماس بگیرید
یک سوال درباره این محصول بپرسید
شرح
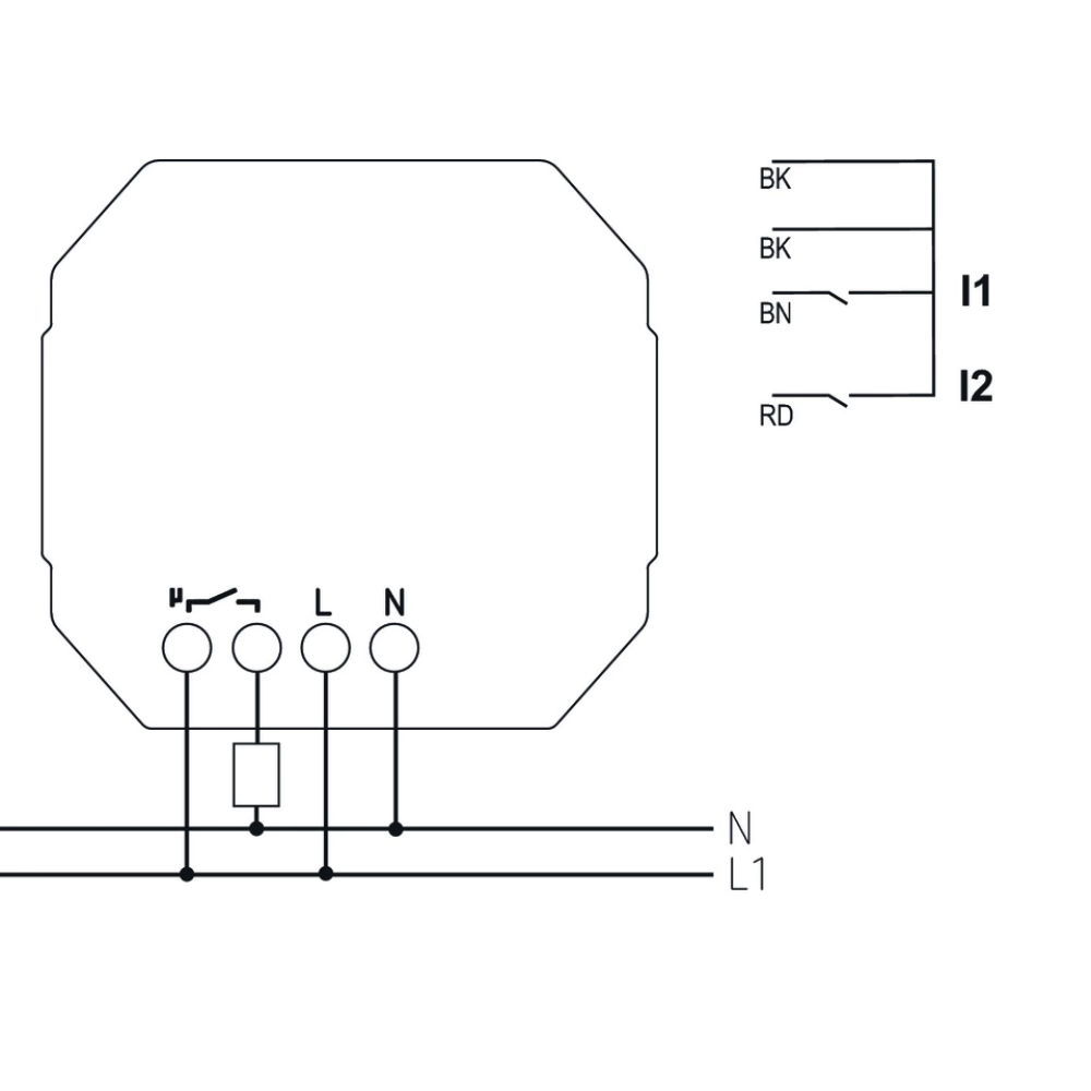
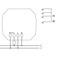
Function description
1-way flush-mounted wireless actuator for electric heating 10 A, KNX RF, Data Secure
Easy installation due to the compact housing
Secure communication via with support of „KNX Data Secure“
For direct connection of electric heating with high switching capacity
Integrated temperature controller can also be configured as an additional heater
Additional stage function for simple control of a second heat generator
2 binary inputs for floating contacts such as buttons, switches, temperature sensor (I2)
Integrated temperature monitoring for increased operating safety, e.g. in the event of overload
The binary inputs are assigned to the dimming output as standard (function test before programming)
بازنگری ها
هنوز نظری برای این محصول وجود ندارد.
Back to: کنترلرهای فرکانس رادیویی
جستجو
صفحه نخست
محصولات
تجهیزات ساختمان های هوشمند
سنسورها
سنسورهای حرکت
سنسورهای حضور
سنسورهای هواشناسی
سنسورهای سنجش میزان روشنایی
سنسور گاز دی اکسیدکربن
کنترلر
کنترلر قطع و وصل / پرده برقی
کنترلر دیمر
کنترلر قطع و وصل / دیمر
کنترلر پرده برقی
کنترلر فن کویل
کنترلر تک کاناله توکار
کنترلر سیستمهای گرمایش از کف
کلیدهای هوشمند
ترموستات اتاقی
تایمر و ساعت فرمان نجومی
DALI-2
کنترلرهای DALI-2
سنسورهای DALI-2
منبع تغذیه
درگاه های ارتباطی
کنترلرهای فرکانس رادیویی
ورودی های Binary
تجهیزات برق صنعتی
FRER
تجهیزات اندازه گیری آنالوگ
رله های نشت جریان و کوربالانس ها
مالتی فانکشن مترها و آنالایزرهای شبکه
ترنسدیوسرهای اندازه گیری و آنالیز شبکه
رابط ها و درگاه ها
میترهای آنالوگ و دیجیتال
انرژی میترها
ترانسفورمرهای جریان و ولتاژ
مقره و عایق و نگهدارنده
شنت DC و جداکننده های ولتاژی DC
لوازم جانبی
theben
پریز تایمردار
تایمر آنالوگ تابلویی
کنتور کارکرد دستگاه
تایمر راه پله
تایمر دیجیتال هفتگی
ساعت فرمان نجومی
STEGO
ترموستات های تابلویی
رطوبت سنج های تابلویی
سنسور هوشمند اندازه گیری دما و رطوبت دیجیتال
فیلتر فن های تابلویی
هیتر و فن هیتر تابلویی
لوازم جانبی
رویدادها
انواع رله های الکتریکی
پایگاه دانش
درباره ما
تماس با ما