1224
1224
SC1779
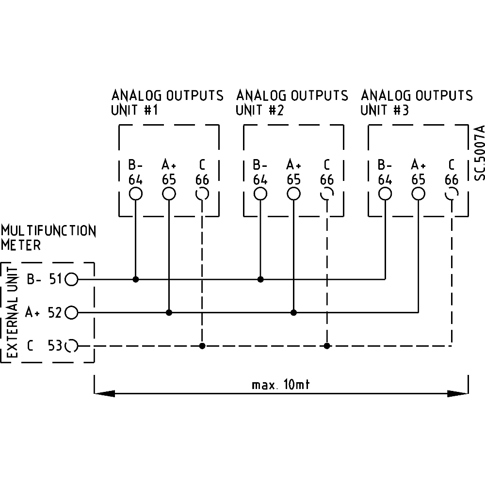
SC5007
QUBO96_M52U
MCU_M52U

M52U

خروجی آنالوگ
modules with 2 or 4 analogue outputs allow
کلاس دقت : CL;0,5 (0,2 opzionale - optional)*
منبع تغذیه : 260-80 Vac/dc , 115-230 VAC , 20-260VAC
2 Alarm outputs

شرح

Code:

M52U02→Programmable analog output modules with 2 outputs for FRER Network Analyzers

M52U04→Programmable analog output modules with 4 outputs for FRER Network Analysers

Description

Analogue outputs modules M52U… with 2 or 4 outputs are designed to be connected to FRER multifunction meters to generate a maximum of 12 analogue outputs (using max. 3 modules with 4 outputs) proportional to as many variables measured by the meter itself. In addition, on each module two alarm outputs are available on request. Each analogue output, as each alarm output, is fully and independently programmable on site.

 

بازنگری ها

هنوز نظری برای این محصول وجود ندارد.