X96DS
X96DS
X96DS
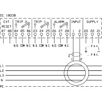
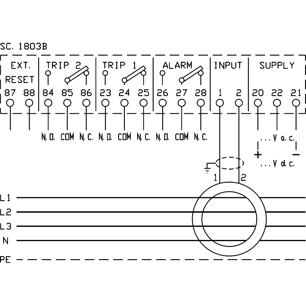
SC1803

X96DS

رله ارت لیکیج X96DSX
سایز :mm 96*96
محدوده تنظیم جریان : 30mA-30A
تاخیرزمانی : 0.1sec-5sec
درجه حفاظت : IP41
دارای External Reset

شرح

مدل:

X96DSX025X21H→ Aux. Supply : 80-260 VAC/ DC

X96DSX025X21S→ Aux. Supply : 115-230 VAC/ 115VDC

رله نشت جریان زمین تابلویی سایز 96x96mm تایپ A/AC

با قابلیت تنظیم جریانی 30mA-30A

قابلیت تنظیم زمانی 0.02-5 ثانبه

تغذیه 115-230 ولت AC و مولتی ولتاژ 80-260 ولت AC/DC

دارای 2 خروجی تریپ چنج اور و خروجی آلارم

بازنگری ها

هنوز نظری برای این محصول وجود ندارد.