X72DSX025X21S1
X72DSX025X21S1
X72DS
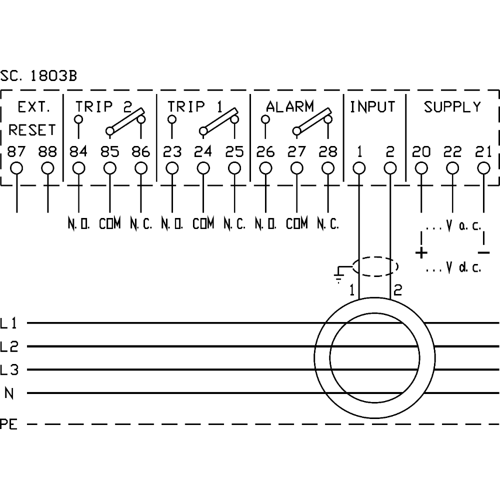
SC18032

X72DS

"رله ارت لیکیج
سایز :mm 72*72
محدوده تنظیم جریان : 30mA-30A
تاخیرزمانی : 0.1sec-5sec
درجه حفاظت : IP40
دارای External Reset

شرح

مدل:

X72DSX025X21H→ Aux. Supply : 80-260 VAC/ DC

X72DSX025X21S→ Aux. Supply : 115-230VAC/115VDC

رله نشت جریان زمین تابلویی سایز 72x72mm  تایپ F

با قابلیت تنظیم جریانی 30mA-30A

قابلیت تنظیم زمانی 0.02-5 ثانبه

تغذیه 115-230 ولت AC و مولتی ولتاژ 80-260 ولت AC/DC

دارای 2 خروجی تریپ چنج اور و خروجی آلارم

بازنگری ها

هنوز نظری برای این محصول وجود ندارد.