339
339
62792
Screenshot 2025-10-25 154913
62822

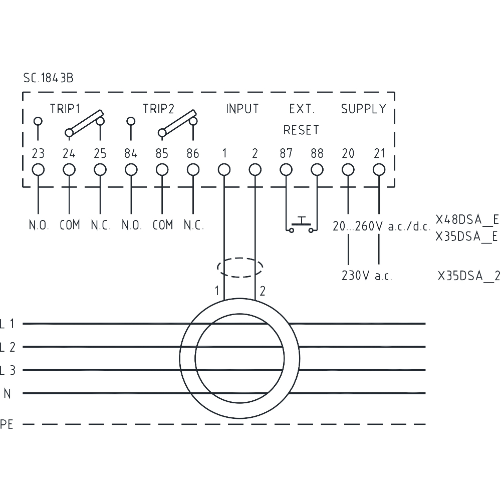
X35DSA

تایپ A ریلی
رنج جریان نشتی : 30mA -30A
دارای 2 خروجی تریپ 8A و 250V
قابلیت External reset
قابلیت مچ با کوربالانس‌های tdp , tda , tdc

شرح

code:

X35DSA030X202 → Aux. Supply : 230 VAC , ابعاد کوچک و وزن کم به اندازه 2 مینیاتوری

X35DSA030L202 → Aux. Supply : 230 VAC , ابعاد کوچک و وزن کم به اندازه 2 مینیاتوری , دارای نشانگر درصد میزان جریان نشتی 

X35DSA300X202 → Aux. Supply : 230 VAC , ابعاد کوچک و وزن کم به اندازه 2 مینیاتوری , رنج جریان نشتی 30-300A

X35DSA300L202 → Aux. Supply : 230 VAC , ابعاد کوچک و وزن کم به اندازه 2 مینیاتوری , دارای نشانگر درصد میزان جریان نشتی , رنج جریان نشتی30-300A

X35DSA030X20E → Aux. Supply : 20-260VAC

X35DSA030L20E → Aux. Supply : 20-260VAC , ابعاد کوچک و وزن کم به اندازه 2 مینیاتوری , دارای نشانگر درصد میزان جریان نشتی 

X35DSA300X20E → Aux. Supply : 20-260VAC , ابعاد کوچک و وزن کم به اندازه 2 مینیاتوری , رنج جریان نشتی 30-300A

X35DSA300L20E → Aux. Supply : 230 VAC , ابعاد کوچک و وزن کم به اندازه 2 مینیاتوری , دارای نشانگر درصد میزان جریان نشتی , رنج جریان نشتی30-300A

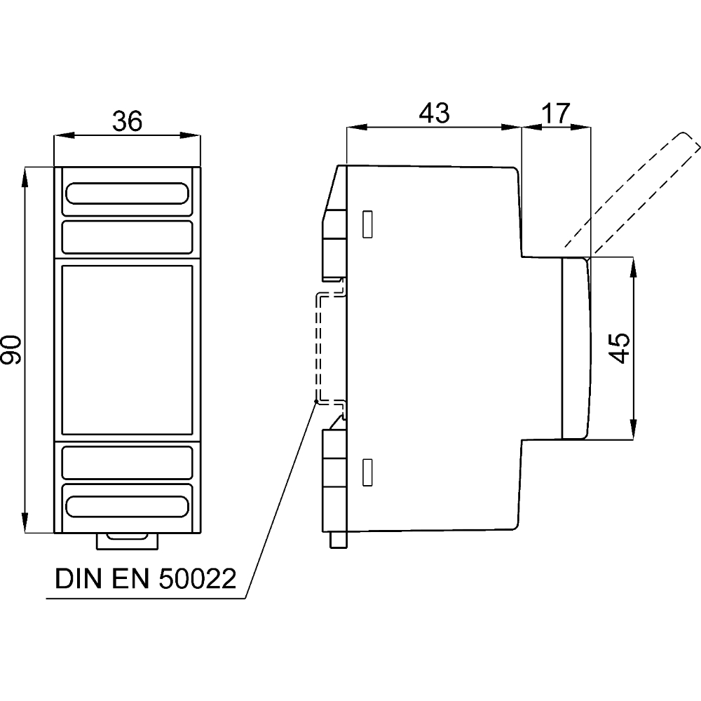
Type A earth leakage relay - 2 DIN modules

The new range of type A earth leakage relays with separate toroid provides maximum safety and reliable protection in compliance with EN 60947-2 Annex M. Tripping current IΔn adjustable from 30mA to 30A. Settings by means of dip-switch and trimmer protected by sealable front panel. Dual TRIP relay. Connection by means of external closed-core or split-core toroids of the TDC-TDA series.

 

Function

1. TRIP current setting IΔn trimmer.

2. TRIP delay setting Δt trimmer.

3. Programming selector.

4. LED ON indicates that the device is powered.

5.  LED TRIP indicates that the device has tripped (*In X_DSA_L models, it also indicates the % level of the leakage current).

6. TEST pushbutton for relay TRIP test.

7.  RESET pushbutton for relay manual restore after TRIP

بازنگری ها

هنوز نظری برای این محصول وجود ندارد.