136
136
TDB321

TDB 321

کوربالانس
قطر : Ø321
درجه حفاظت IP20
CAT III 1000V Rinforzato/Reinforced

شرح

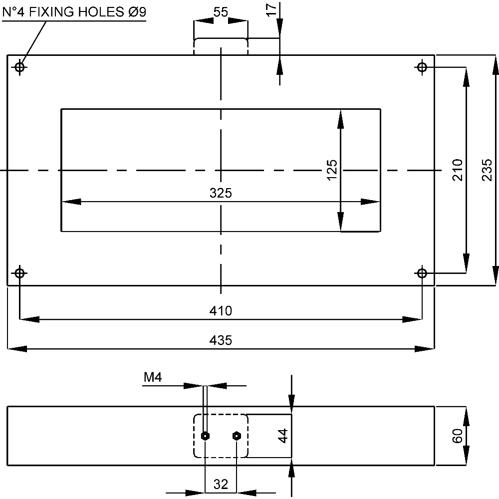
Sensor 470x160mm for Type B Earth Leakage Relays

TDB series rectangular sensors are able to measure AC and DC currents with a DC-10kHz bandwidth.  TDB sensors have an integrated degauss function with DC offset zeroing, which is by relay command. This function sets to zero the Dc current measuring errors (DC offset) caused by terrestral magnetic field, permanent magnets, DC coil, temperature drifts, mechanical shocks or vibrations. The measuring error of the RMS current (AC+DC) is proportional to the line current intensity and it depends on the geometrical layout of the bus bar conductors passing through the sensor hole. It also depend on the distance and the geometrical layout of  the nearby conductors passing outside the sensor hole. The IΔn setting <3A will be possible only by centering the bus bar conductors and with controlled environment conditions (temperature, vibration, EMI).

بازنگری ها

هنوز نظری برای این محصول وجود ندارد.