صفحه نخست
محصولات
تجهیزات ساختمان های هوشمند
سنسورها
سنسورهای حرکت
سنسورهای حضور
سنسورهای هواشناسی
سنسورهای سنجش میزان روشنایی
سنسور گاز دی اکسیدکربن
کنترلر
کنترلر قطع و وصل / پرده برقی
کنترلر دیمر
کنترلر قطع و وصل / دیمر
کنترلر پرده برقی
کنترلر فن کویل
کنترلر تک کاناله توکار
کنترلر سیستمهای گرمایش از کف
کلیدهای هوشمند
ترموستات اتاقی
تایمر و ساعت فرمان نجومی
DALI-2
کنترلرهای DALI-2
سنسورهای DALI-2
منبع تغذیه
درگاه های ارتباطی
کنترلرهای فرکانس رادیویی
ورودی های Binary
تجهیزات برق صنعتی
تجهیزات اندازه گیری آنالوگ
رله های نشت جریان و کوربالانس ها
مالتی فانکشن مترها و آنالایزرهای شبکه
ترنسدیوسرهای اندازه گیری و آنالیز شبکه
رابط ها و درگاه ها
میترهای آنالوگ و دیجیتال
انرژی میترها
ترانسفورمرهای جریان و ولتاژ
مقره و عایق و نگهدارنده
شنت DC و جداکننده های ولتاژی DC
لوازم جانبی FRER
پریز تایمردار
تایمر آنالوگ تابلویی
کنتور کارکرد دستگاه
تایمر راه پله
تایمر دیجیتال هفتگی
ساعت فرمان نجومی
ترموستات های تابلویی
رطوبت سنج های تابلویی
سنسور هوشمند اندازه گیری دما و رطوبت دیجیتال
فیلتر فن های تابلویی
هیتر و فن هیتر تابلویی
لوازم جانبی STEGO
رویدادها
پایگاه دانش
درباره ما
تماس با ما
دانلودها
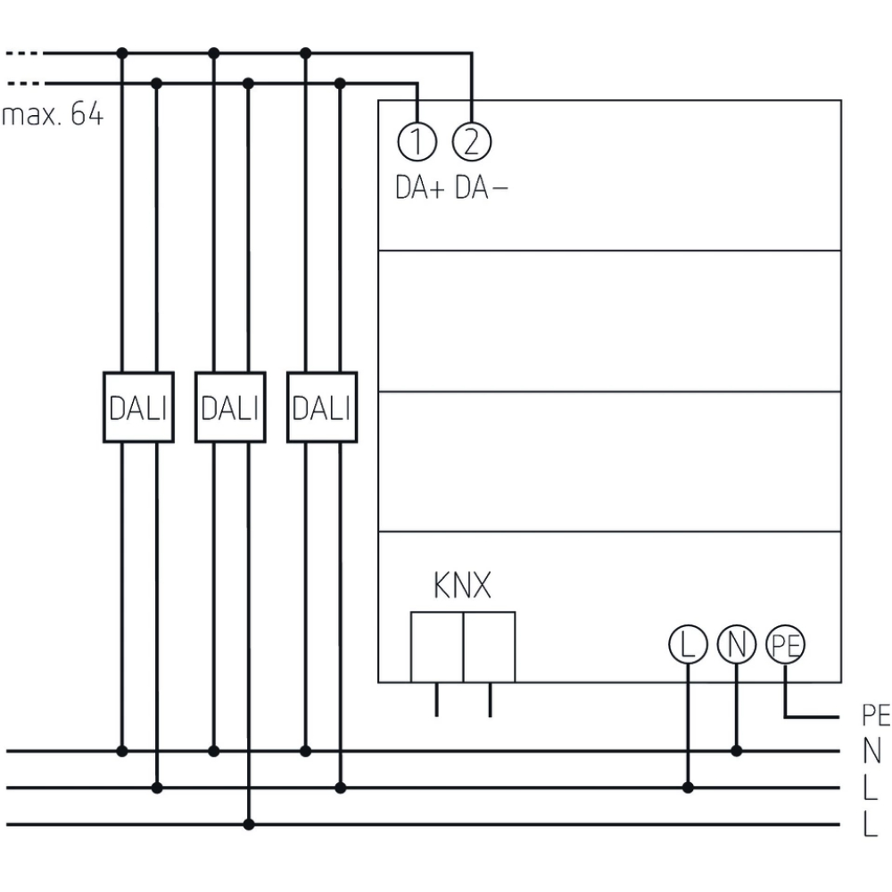
DALI-Gateway P64 KNX
کد کالا : 4940303
کنترل کننده DALI-2 چندکاره بر مبنای پروتکل KNX
با قابلیت کنترل 64 تجهیز DALI-2 و 8 سنسور حضور و حرکت
برای قیمت تماس بگیرید
شرح
Function description
Multi-Master Application Controller as interface between the DALI system and the KNX bus
DALI-2 certified
Secure commissioning and communication through support of KNX Data Secure
Integration of 8 DALI-2 sensors (motion/presence and brightness) according to EN 62386-303 and -304
Control of 64 DALI devices in 16 groups or individual control
Extended functionality of the motion detector with 2-point or
constant light control
(from firmware 2.x and ETS application V2.1)
Support of 8 DALI-2 push-buttons and 8 generic input devices (from firmware 2.x and ETS application V2.1)
Concept for ‘virtual input devices’ allows merging of several instances (from firmware 2.x and ETS application V2.1)
Internal linking of input devices directly with DALI groups (from firmware 2.x and ETS application V2.1)
The GTIN of ECGs and input devices can be read out for easy identification (from firmware 2.x and ETS application V2.1)
Support for energy reporting in accordance with DALI Part 252 (from firmware 2.x and ETS application V2.1)
Integrated IoT interface: API/MQTT (from firmware 2.x and ETS application V2.1)
Control of light colour and colour temperature according to EN 62386-209 (DT-8) in groups or individually
Automatic adaptation of colour temperature to dimming value
Scene module for 16 scenes (including DT8 colour control)
Time-dependent control of brightness, light colour and colour temperature
Scene module for 16 scenes (including colour control DT8)
Effect module for sequence control
Support of single-battery emergency luminaires and emergency luminaire systems with central battery (EN 62386-202, DT-1)
LC display (2x 12 characters) for menu guidance during commissioning and parameter setting
Commissioning via the operating elements on the device, via the integrated web server or via the free ETS app (DCA)
بازنگری ها
هنوز نظری برای این محصول وجود ندارد.
Back to: DALI-2 کنترلرهای
جستجو
صفحه نخست
محصولات
تجهیزات ساختمان های هوشمند
سنسورها
سنسورهای حرکت
سنسورهای حضور
سنسورهای هواشناسی
سنسورهای سنجش میزان روشنایی
سنسور گاز دی اکسیدکربن
کنترلر
کنترلر قطع و وصل / پرده برقی
کنترلر دیمر
کنترلر قطع و وصل / دیمر
کنترلر پرده برقی
کنترلر فن کویل
کنترلر تک کاناله توکار
کنترلر سیستمهای گرمایش از کف
کلیدهای هوشمند
ترموستات اتاقی
تایمر و ساعت فرمان نجومی
DALI-2
کنترلرهای DALI-2
سنسورهای DALI-2
منبع تغذیه
درگاه های ارتباطی
کنترلرهای فرکانس رادیویی
ورودی های Binary
تجهیزات برق صنعتی
تجهیزات اندازه گیری آنالوگ
رله های نشت جریان و کوربالانس ها
مالتی فانکشن مترها و آنالایزرهای شبکه
ترنسدیوسرهای اندازه گیری و آنالیز شبکه
رابط ها و درگاه ها
میترهای آنالوگ و دیجیتال
انرژی میترها
ترانسفورمرهای جریان و ولتاژ
مقره و عایق و نگهدارنده
شنت DC و جداکننده های ولتاژی DC
لوازم جانبی FRER
پریز تایمردار
تایمر آنالوگ تابلویی
کنتور کارکرد دستگاه
تایمر راه پله
تایمر دیجیتال هفتگی
ساعت فرمان نجومی
ترموستات های تابلویی
رطوبت سنج های تابلویی
سنسور هوشمند اندازه گیری دما و رطوبت دیجیتال
فیلتر فن های تابلویی
هیتر و فن هیتر تابلویی
لوازم جانبی STEGO
رویدادها
پایگاه دانش
درباره ما
تماس با ما
دانلودها