ZR 011
ZR 011
2017_04_zr011_connectionexample
zr011-dual-thermostat-wiring-diagram-diagramm
zr011-dual-thermostat-technical-drawing

ZR 011

کد کالا : 01172.0-00
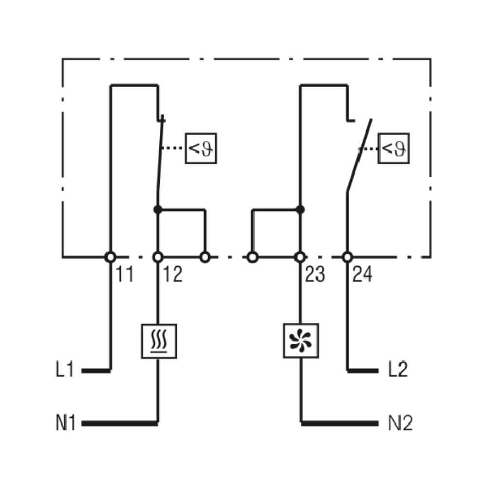
dual-thermostat - ترموستات دوگانه
دو ترموستات در یک محفظه:
ترموستات اول (در حالت عادی بسته - Normally Closed):
برای کنترل المنت‌های گرمایشی به کار می‌رود.
ترموستات دوم (در حالت عادی باز - Normally Open):
برای کنترل فن‌های فیلتر، مبدل‌های حرارتی یا ارسال سیگنال هشدار در مواقعی که دما از حد مجاز بالاتر می‌رود استفاده می‌شود.
اختلاف دمای سوئیچ : 7 K (±4 K tolerance)
المان حسگر دما: thermostatic bimetal
درجه حفاظت : IP 20

شرح

Normally closed (NC) and normally open (NO) thermostats in one casing. Unlike thermostats with changeover contacts, the double thermostat switches independently. This allows heating and cooling devices to be switched in different temperature ranges.

  • Normally closed (NC, heating) and normally open (NO, cooling) in one casing
  • Snap-action contact enables independent switching
  • Temperatures can be adjusted separately
  • High switching capacity
  • Clip mounting

بازنگری ها

هنوز نظری برای این محصول وجود ندارد.